Inscrivez-vous pour débloquer vos prix B2B exclusifs et commencez vos achats. Inscrivez-vous maintenant!
Absolute Rotary Encoder - Singleturn Industrial Line   RS-25S10C-9A16B-R3M12 image 1

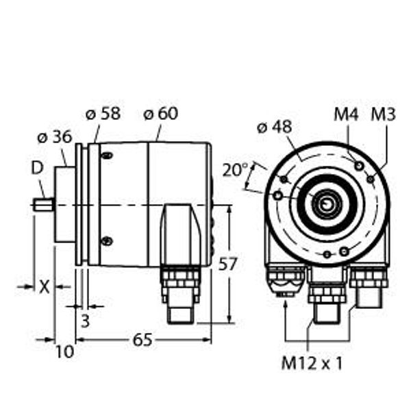
Absolute encoder - Singleturn, Industrial-Line

Commande uniquement
Prix (hors TVA):
1 083,17 €
Ce prix est valable jusqu’à la prochaine liste de prix ou jusqu’à épuisement des stocks
EAN: 4047101255690
MPN: 1544367
Colis: 1
Délai de livraison estimé à notre entrepôt: 4-6 weeks

Technical Information

État de l’article Nouveau
Nom du fabricant Absolute Rotary Encoder - Singleturn Industrial Line  RS-25S10C-9A16B-R3M12
Marque TURCK
Catégories Rotary Encoders
Pays d’origine* DE
* Le pays d'origine réel peut varier selon le lot de livraison. Pour confirmer le pays d'origine spécifique, veuillez contacter votre gestionnaire de compte.
Code du système harmonisé 9031 8020 00
Modèle Autre
Matériau du boîtier Autre
Type de connexion électrique Autre
Diamètre de l'axe 10 mm

Détails d’emballage

Niveau d’emballage 1 4047101255690, 4047101255690

Autres données techniques

Programmable No
Principe de mesure physique Optique

Description

Absolute encoder - Singleturn, Industrial-Line, Bedrijfsspanning 10…30 VDC, Klemflens, Ø 58 mm, Massieve as, Ø 10 mm × 20 mm, Optisch meetprincipe, Asmateriaal: roestvast staal, Beschermingsklasse IP67 aszijde, ‐40 … +80 °C, Max. 3000 omw/min, Profibus, Afneembaar busdeksel met connectoraansluiting (3 x M12), 360° verdeeld in 16 Bit (65536 posities), Modulair, defaultwaarde 13 Bit