Inscrivez-vous pour débloquer vos prix B2B exclusifs et commencez vos achats. Inscrivez-vous maintenant!
Absolute Rotary Encoder - Singleturn Industrial Line   RES-180S6S-7AAL-H1151/N0 image 1

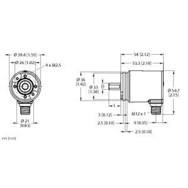
Absolute encoder - Singleturn, Industrial-Line

Commande uniquement
Prix (hors TVA):
434,51 €
Ce prix est valable jusqu’à la prochaine liste de prix ou jusqu’à épuisement des stocks
EAN: 4047101545210
MPN: 100016356
Colis: 1
Délai de livraison estimé à notre entrepôt: 4-6 weeks

Technical Information

État de l’article Nouveau
Nom du fabricant Absolute Rotary Encoder - Singleturn Industrial Line  RES-180S6S-7AAL-H1151/N0
Marque TURCK
Catégories Rotary Encoders
Pays d’origine* DE
* Le pays d'origine réel peut varier selon le lot de livraison. Pour confirmer le pays d'origine spécifique, veuillez contacter votre gestionnaire de compte.
Code du système harmonisé 9031 8020 00
Modèle Autre
Matériau du boîtier Autre
Type de connexion électrique Connexion enfichable
Degré de protection (IP) IP67
Diamètre de l'axe 6 mm

Détails d’emballage

Niveau d’emballage 1 4047101545210, 4047101545210

Autres données techniques

Programmable No
Norme pour les interfaces Analogique
Principe de mesure physique Magnétique

Téléchargements

Description

Absolute encoder - Singleturn, Industrial-Line, Bedrijfsspanning 10…30 VDC, Synchroflens, Ø 36 mm, Massieve as, Ø 6 mm × 12,5 mm, Magnetisch meetprincipe, Asmateriaal: roestvast staal, Beschermingsklasse IP67 huis- en aszijde, ‐40…+85 °C, max. 4000 omw/min (continue werking: 2000 omw/min), 10…30 V DC, Analoge uitgang 4…20 mA, Telrichting linksom, Connector, M12 × 1, 5‐polig, 360° verdeeld in 12 Bit (4096 posities)