Reģistrējieties, lai atbloķētu savas ekskluzīvās B2B cenas un sāktu iepirkties. Reģistrējieties tagad!
Incremental Encoder Industrial Line   REI-43H40S-4C1000-H1181 image 1

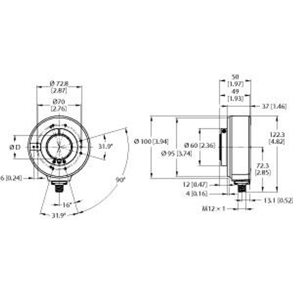
Incrementele encoder, Industrial-Line

Tikai pasūtījums
Cena (bez PVN):
683,92 €
Šī cena ir spēkā līdz nākamajam cenrādim vai kamēr prece ir krājumā
EAN: 4047101547245
MPN: 100011471
Iepakojums: 1
Paredzamais piegādes laiks mūsu noliktavā: 4-6 weeks

Technical Information

Preces stāvoklis Jauns
Ražotāja nosaukums Incremental Encoder Industrial Line  REI-43H40S-4C1000-H1181
Zīmols TURCK
Kategorijas Rotary Encoders
Izcelsmes valsts* DE
* Faktiskā izcelsmes valsts var atšķirties atkarībā no piegādes partijas. Lai apstiprinātu konkrēto izcelsmes valsti, lūdzu, sazinieties ar savu klientu menedžeri.
Harmonizētās sistēmas kods 9031 8020 00
Modelis Inkrementālais enkoders
Mājokļa materiāls Citi
Maks. impulsi vienā apgriezienā 300
Elektriskā pieslēguma veids Savienojums ar kontaktdakšu
Aizsardzības pakāpe (IP) IP65
Vārpstas devēja tips Doba vārpsta
Ass diametrs 40 mm

Iepakojuma informācija

Iepakojuma līmenis 1 4047101547245, 4047101547245

Citi tehniskie dati

Programmējams No
Impulsu ātrums vienā ciklā 1000
Fizikālās mērīšanas princips Optika

Lejupielādes

Apraksts

Incrementele encoder, Industrial-Line, Bedrijfsspanning 10…30 VDC, Resolutie incrementeel 1000 ppr, Flens zonder bevestigingselement, Ø 100 mm, Holle as, Ø 40 mm, Optisch meetprincipe, Asmateriaal: roestvast staal, Beschermingsklasse IP65 huis- en aszijde, ‐40 … +80 °C, Max. 6000 omwentelingen/min (bij 60 °C: 2500 omw/min, 10…30 V DC, RS422/TTL met omgekeerd signaal, Impulsfrequentie max. 300 kHz, Connector, M12 × 1, 8‐polig, 1000 impulsen per omwenteling