Reģistrējieties, lai atbloķētu savas ekskluzīvās B2B cenas un sāktu iepirkties. Reģistrējieties tagad!
Absolute Rotary Encoder - Multiturn Industrial Line   REM-99S10S-3C12S12M-H1181 image 1

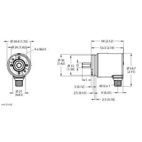
Absolute encoder - Multiturn, Industrial-Line

Tikai pasūtījums
Cena (bez PVN):
493,04 €
Šī cena ir spēkā līdz nākamajam cenrādim vai kamēr prece ir krājumā
EAN: 4047101549386
MPN: 100011245
Iepakojums: 1
Paredzamais piegādes laiks mūsu noliktavā: 4-6 weeks

Technical Information

Preces stāvoklis Jauns
Ražotāja nosaukums Absolute Rotary Encoder - Multiturn Industrial Line  REM-99S10S-3C12S12M-H1181
Zīmols TURCK
Kategorijas Rotary Encoders
Izcelsmes valsts* DE
* Faktiskā izcelsmes valsts var atšķirties atkarībā no piegādes partijas. Lai apstiprinātu konkrēto izcelsmes valsti, lūdzu, sazinieties ar savu klientu menedžeri.
Harmonizētās sistēmas kods 9031 8020 00
Modelis Citi
Mājokļa materiāls Citi
Elektriskā pieslēguma veids Savienojums ar kontaktdakšu
Aizsardzības pakāpe (IP) IP67
Ass diametrs 10 mm

Iepakojuma informācija

Iepakojuma līmenis 1 4047101549386, 4047101549386

Citi tehniskie dati

Programmējams No
Fizikālās mērīšanas princips Magnētiskais

Lejupielādes

Apraksts

Absolute encoder - Multiturn, Industrial-Line, Bedrijfsspanning 10…30 VDC, Synchroflens, Ø 36 mm, Massieve as, Ø 10 mm × 20 mm, Magnetisch meetprincipe, Asmateriaal: roestvast staal, Beschermingsklasse IP67 huis- en aszijde, ‐40…+85 °C, max. 4000 omw/min (continue werking: 2000 omw/min), Energy Harvesting-technologie, 10…30 V DC, SSI, gray, Connector, M12×1, 8‐polig, Singleturn-resolutie 12 Bit, Multiturn-resolutie 12 Bit