Registreeru, et avada oma eksklusiivsed B2B hinnad ja alustada ostlemist. Registreeru kohe!
MD01 image 1
MD12 image 2
MD01 thumbnail 1
MD12 thumbnail 2

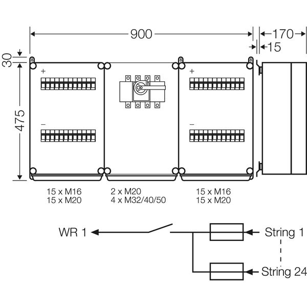
PV generator junction box 24xPV string with fuses for 1xinverter input

Ainult telli
Hind (ilma KM-ta):
2 025,20 €
Hind kehtib kuni järgmise hinnakirjani või kuni kaupa jätkub
EAN: 4012591116110
MPN: 20001235
Pakend: 1
Hinnanguline tarneaeg meie laos: 4-6 weeks

Technical Information

Toote seisukord Uus
Tootja nimi PV generator junction box 24xPV string with fuses for 1xinverter input (Mi PV 3931)
Bränd HENSEL
Kategooriad Pealepaigaldatavad harukarbid
Päritoluriik* DE
* Tegelik päritoluriik võib sõltuvalt tarn partiist erineda. Konkreetse päritoluriigi kinnitamiseks võtke palun ühendust oma kontohalduriga.
Harmoneeritud süsteemi kood 8537 1098 00
ETIM EC002600
Halogeenivaba Yes
Sisaldab Muul viisil
Isolatsiooni nimipinge Ui 1000 V
Suletav No
Ilmastikukindel Yes
Kaitseaste (IP) IP65
Sisend tagantpoolt No

Pakendamise üksikasjad

Pakkimistase 1 4012591116110

Muud tehnilised andmed

Paigaldusviis Seinale-/lakke paigaldatav
Värvus Hall
Laius 900 mm
Sügavus 170 mm
Kuju Muul viisil
Pinnatöötlus Töötlemata
Pikkus 475 mm
Ahela terviklikkus Puudub
Talitlustemperatuur -5-40 °C
Materjal Plast
Plahvatuskindel variant No
Katte kinnitus Kruvitud
Varjestusega No
Plahvatusohtlikule gaasikeskkonnale Puudub
Jätkatav No
Korpuse läbiviigu tüüp Muul viisil
Plahvatusohtlikule tolmukeskkonnale Puudub
Katte kuju Muul viisil
Valatav No
Kaasas on valukompaund No

Kirjeldus

Generator junction box for PV systems up to 1000 V d.c. according to IEC 61439, completely assembled and ready for connecton.Enclosures made of high quality thermoplastics are totally insulated, degree of protection IP 65. As required, the PV generator junction boxes are equipped with surge arresters, generator disconnect switches and string overload. They are suitable for unprotected outdoor installation and are UV-resistant. Wall mounting via external brackets made of stainless steel. PV-Generator junction box with string overload and DC generator disconnect switch. 24 x PV string for 1 x inverter input. Per 24 x fuse holders + and - for cylindrical fuse links. Lid fasteners for tool operation.

Tarvik

Ainult telli
10,41 € tk kohta
Hind kehtib kuni 31.12.26
EAN: 4012591105275
MPN: 20001091
Pakend: 1
Hinnanguline tarneaeg meie laos: 2-4 weeks
Ainult telli
1,99 € tk kohta
Hind kehtib kuni järgmise hinnakirjani või kuni kaupa jätkub
EAN: 4012591129417
MPN: 20001414
Pakend: 1
Hinnanguline tarneaeg meie laos: 4-6 weeks
Ainult telli
3,15 €
Hind kehtib kuni järgmise hinnakirjani või kuni kaupa jätkub
EAN: 4012591650140
MPN: 2000014
Pakend: 1
Hinnanguline tarneaeg meie laos: 4-6 weeks
Ainult telli
1,99 €
Hind kehtib kuni 24.12.26
EAN: 4012591650232
MPN: 2000023
Pakend: 1
Hinnanguline tarneaeg meie laos: 4-6 weeks
Ainult telli
1,74 €
Hind kehtib kuni 24.12.26
EAN: 4012591658191
MPN: 2000819
Pakend: 1
Hinnanguline tarneaeg meie laos: 4-6 weeks